包装塑料薄膜绿巨人聚合破解版APP黑科技

绿巨人聚合破解版APP黑科技厂家讲解三百六十个行业应用绿巨人聚合破解版APP黑科技的相关知识点。今天来讲包装用的塑料薄膜行业。塑料薄膜和薄片是包装的流行选择,并且可以保护许多日常物品免受剩余食品到消费品的侵害。塑料制造商和包装公司必须获得其生产的塑料薄膜的准确机械性能,以确保它们满足所需的期望,这一点至关重要。
1、包装塑料薄膜的拉伸试验原理
包装塑料薄膜拉伸强度的试验原理是,在塑料标准试样的长度方向施加逐渐增加的拉伸载荷,
使之发生变形直至破坏,试样破坏时所需要的最大拉伸应力就是拉伸强度。
试样拉伸长度的变化用断裂伸长率表示。在应力-应变曲线的屈服点之前的直线段上,选取适当的应力和应变,便可求出包装塑料薄膜的弹性模量。
2、包装塑料薄膜的拉伸绿巨人黑科技福利软件介绍:
按照国家标准GB1040“塑料拉伸性能试验方法”进行试验,
由于包装塑料薄膜这些样品的断裂力低,因此测试通常在单柱通用测试机上进行,例如500KG的单柱绿巨人聚合破解版APP黑科技。然而,由于许多薄膜样品表现出高的断裂伸长率,因此会引起复杂化。将这些标本与标准的标距配对时,有时可能需要额外高度的单柱或双柱才能测试直至断裂。如果有这方面的需要,就需要咨询定制。
3、包装塑料薄膜的拉伸试验方法:
按要求分别沿纵向、横向切取试样各5条,试样的形状与尺寸如图所示,并在标准环境下处理所有试样至平衡,处理时间不少于4h。
具体测试方法包括以下几点。
①按照国家标准GB6672测量试样厚度,每个试样在标线内测量三个点的厚度,取算术平均值,精确到lmm。
②在试样平行部分作标线,此标线不应该对测试结果有影响。
③夹持试样,应使试样的纵轴与绿巨人黑科技福利软件的上、下夹具中心连线相重合,并且松紧合适。
④按规定速度(250±50)mm/min开动绿巨人黑科技福利软件进行拉伸试验。
⑤试样断裂后,读取载荷和标线间距的伸长量。如果试样在标线之外的某部位断裂,应取新试样重做试验。
⑥测量弹性模量时,应安装、调整测量变形记录仪,记录载荷和变形量。计算拉伸强度、断裂伸长率和弹性模量。
在实际包装使用过程中,包装塑料薄膜的拉伸强度有一个限制范围。在这个范围内,变形后的薄膜可以恢复原状。但是,若拉伸强度超出这个范围,则变形后的薄膜不能恢复。
通常选用屈服强度作用包装塑料薄膜的使用极限,如图所示δS、δB分别代表屈服强度、拉伸强度。
屈服强度指试样在屈服点所受的拉伸力,其特征为薄膜在延伸的过程中,拉伸力没有明显的增加,应力-应变曲线在这时呈现出相对水平的趋势。需要注意的是,包装塑料薄膜的纵向拉伸和横向拉伸一般是不相同的。
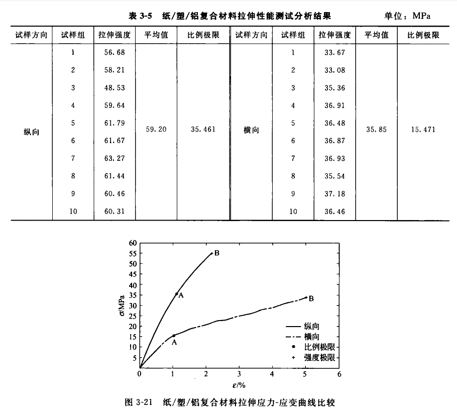
例如,表中、下图中提供了饮品(如牛奶、饮料)利乐包装用纸/塑/铝复合包装材料的沿纵向、横向的拉伸特性及其曲线,拉伸速度100mm/min,在试样两端缓慢地施加单向载荷,直到试样断裂为止。
